Difference between revisions of "Spindle Mounts"
From PROBOTIX :: wiki
m (Tool Holders) |
m |
||
| (2 intermediate revisions by the same user not shown) | |||
| Line 1: | Line 1: | ||
| + | [[File:Short_long_mount.jpg|thumb|Mount Types]] | ||
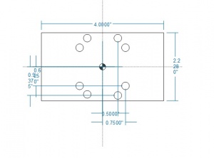
| + | [[File: mount-hole-pattern.jpg | thumb | Mount hole-pattern]] | ||
{| class="wikitable" | {| class="wikitable" | ||
! style="text-align: center; font-weight: bold;" | Spindle Brand | ! style="text-align: center; font-weight: bold;" | Spindle Brand | ||
| Line 66: | Line 68: | ||
|} | |} | ||
| − | *All spindle mounts are made out of aluminum | + | * All spindle mounts are made out of aluminum |
| − | + | * [[VFD Spindles]] | |
| − | [[Tool Holders]] | + | * [[Tool Holders]] |
Latest revision as of 14:29, 4 March 2019
| Spindle Brand | Model | Metric Dia | Std Dia |
|---|---|---|---|
| Bosch Colt | PR20EVSK (110&220) | 70.5mm | 2.776" |
| Dewalt | DWP-611 | 69mm | 2.717" |
| Porter Cable | 450 | 69mm | 2.717" |
| Porter Cable | 892 | 88.9mm | 3.500" |
| Porter Cable | 690 | 88.9mm | 3.500" |
| Rigid | 2401 | 61mm | 2.401" |
| Kress | FME1050 | 43mm | 1.693" |
| Kress | FME800 | 43mm | 1.693" |
| Kress | FME530 | 43mm | 1.693" |
| Hitachi | M12VC | 83mm | 3.268" |
| Chinese | 80mm | 80mm | 3.150" |
| Chinese | 65mm | 65mm | 2.559" |
- All spindle mounts are made out of aluminum
- VFD Spindles
- Tool Holders
